Saturday, 3 August 2013

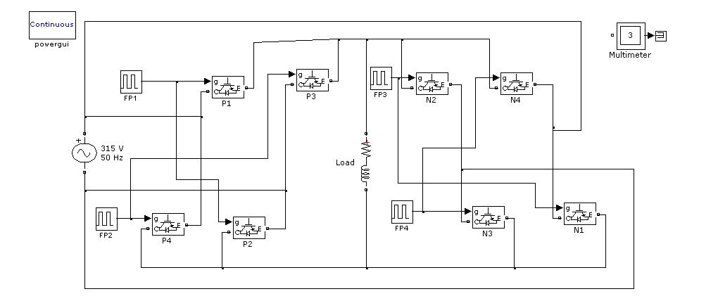
Single phase cycloconverter with RL load



No comments:

Post a Comment